Diagrama de Flujo – Resistencia a flexión de perfil C laminado en caliente

Campo de aplicación
Este algoritmo se aplica en la obtención de resistencia a flexión de vigas en sección C laminadas en caliente.
Variables
Variables de ingreso de datos:

- Fy: Esfuerzo de fluencia del acero
- E: Módulo elástico del acero
- Ma: Momento flector a 1/4 del tramo de análisis en valor absoluto
- Mb: Momento flector a la mital del tramo de análisis en valor absoluto
- Mc: Momento flector a 3/4 del tramo de análisis en valor absoluto
- Mu: Momento último (máximo) solicitante
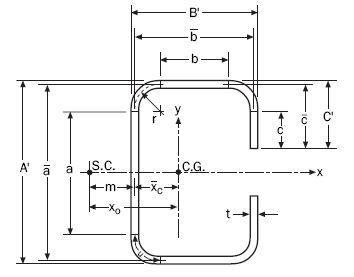
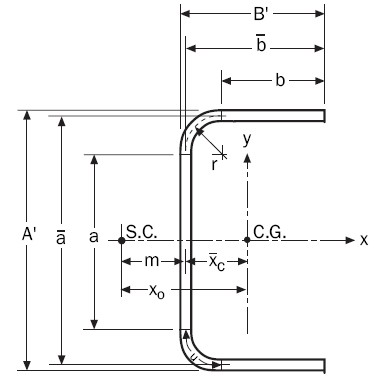
- bf: ancho del ala de la sección transversal
- tf: espesor del ala de la sección transversal
- d: peralte de la viga
- tw: espesor del alma
- Lb: longitud del tramo de análisis entre puntos de restricción al pandeo del ala comprimida
Variables de cálculo:
- Ag: Superficie de la sección transversal
- Ix: Inercia respecto al eje horizontal de la sección de la viga
- Iy: Inercia respecto al eje vertical de la sección transversal de la viga
- Sx: Módulo de sección Elástica respecto al eje X
- rx, ry: radio de giro de la sección de la viga despecto al eje X y Y
- Zx: Módulo de sección plástica
- J: Módulo de torsión
- Cw: Constante de alabeo. Cuantifica la resistencia a la deformación no uniforme por torsión
- Lp: Longitud máxima de flexión plástica sin pandeo lateral torsional.
- Lr: Longitud máxima de flexión plástica con pandeo lateral torsional.
- Mp: Máximo momento resistente nominal con deformación plástica completa de la sección de la viga
- Cb: Factor de modificación del momento crítico Mcr. El pandeo lateral torsional depende no solo de la sección sino de la forma como se distribuyen las cargas en la viga. Cb se usa para ajustar el momento crítico elástico Mcr. Mcr es el momento máximo que una viga puede resistir antes de inestabilizarse lateralmente cuando está cargada en flexión
- λf: factor de esbeltez del ala
- λpf: límite máximo de esbeltez del ala para considerarse compacta
- λrf: límite máximo de esbeltez del ala para considerarse no compacta. Más allá de este límite, la sección se considera esbelta.
- λw: factor de esbeltez del alma
- λpw: límite máximo de esbeltez del alma para considerarse compacta
- λrw: límite máximo de esbeltez del alma para considerarse no compacta. Más allá de este límite, la sección se considera esbelta.
- Mn: momento nominal (resistente máximo) de la viga
- φMn: Momento de diseño de la viga
Diagrama de flujo




















